Главная страницаКаталог товаровАдаптеры и соединенияАдаптер 90° ORFS(ш) 11/16" - UNF(ш) 7/16" o.r.+ контргайка (Vitillo SPA)

Адаптер 90° ORFS(ш) 11/16" - UNF(ш) 7/16" o.r.+ контргайка (Vitillo SPA)

Код товара: 735
Артикул: LMO09MOU04
Наличие: Нет в наличии

Вы можете связаться с нами по телефону и уточнить возможность заказа данного товара.
Параметры товара
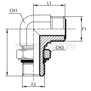
параметр значение
Резьба 1 11/16"
PN 420
Резьба 2 7/16"
CH1 19
CH2 14
L1 25
L2 35
Корзина
Корзина пуста