Главная страницаКаталог товаровАдаптеры и соединенияАдаптер 90° ORFS(ш) 1.7/16" - UNF(ш) 1.5/8" o.r.+ контргайка (Vitillo SPA)

Адаптер 90° ORFS(ш) 1.7/16" - UNF(ш) 1.5/8" o.r.+ контргайка (Vitillo SPA)

Код товара: 748
Артикул: LMO15MOU20
Наличие: Нет в наличии

Вы можете связаться с нами по телефону и уточнить возможность заказа данного товара.
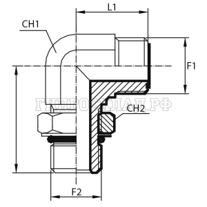
Параметры товара
параметр значение
Резьба 1 1.7/16"
PN 280
Резьба 2 1.5/8"
CH1 41
CH2 50
L1 44.5
L2 62
Корзина
Корзина пуста