Главная страницаКаталог товаровАдаптеры и соединенияDIN 2353Адаптер ТС тройник P=30 42x2 - DKOS(г) 42x2 (верт.) (Vitillo SPA)

Адаптер ТС тройник P=30 42x2 - DKOS(г) 42x2 (верт.) (Vitillo SPA)

Код товара: 4887
Артикул: TME30SFE30SB.1
Наличие: Нет в наличии

Вы можете связаться с нами по телефону и уточнить возможность заказа данного товара.
Параметры товара
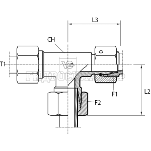
параметр значение
Резьба 1 42x2
PN 400
Резьба 2 42x2
L2 55
CH 41
T 30
Series S
L3 62
kg100pz 138
Аналоги

Для этого товара также есть следующие аналоги:

  • LARGA E787-30S
  • Rastelli TN421-30S
  • CAST 604622
Корзина
Корзина пуста