Главная страницаКаталог товаровАдаптеры и соединенияORFS J1453Адаптер 90° ORFS(ш) 1.3/16" - UNF(ш) 1.5/16" o.r.+ контргайка (Китай)

Адаптер 90° ORFS(ш) 1.3/16" - UNF(ш) 1.5/16" o.r.+ контргайка (Китай)

Код товара: 49532
Артикул: 1FO9-12-16OG
Наличие: Нет в наличии

Вы можете связаться с нами по телефону и уточнить возможность заказа данного товара.
Параметры товара
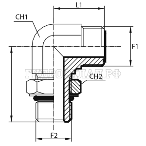
параметр значение
Резьба 1 1.3/16"
PN 380
Резьба 2 1.5/16"
CH1 33
CH2 41
L1 38
L2 59.5
Корзина
Корзина пуста