Главная страницаКаталог товаровАдаптеры и соединенияORFS J1453Адаптер 90° ORFS(ш) 1.3/16" - UNF(ш) 1.1/16" o.r.+ контргайка (Китай)

Адаптер 90° ORFS(ш) 1.3/16" - UNF(ш) 1.1/16" o.r.+ контргайка (Китай)

Код товара: 49535
Артикул: P1FO9-12OG
Наличие: Нет в наличии

Вы можете связаться с нами по телефону и уточнить возможность заказа данного товара.
Параметры товара
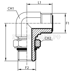
параметр значение
Резьба 1 1.3/16"
PN 420
Резьба 2 1.1/16"
CH1 30
CH2 32
L1 375
L2 55
Корзина
Корзина пуста