Главная страницаКаталог товаровАдаптеры и соединенияORFS J1453Адаптер тройник ORFS(ш) 13/16" гориз. контргайка (Vitillo SPA)

Адаптер тройник ORFS(ш) 13/16" гориз. контргайка (Vitillo SPA)

Код товара: 665
Артикул: TPPMO1111P
Наличие: Нет в наличии

Вы можете связаться с нами по телефону и уточнить возможность заказа данного товара.
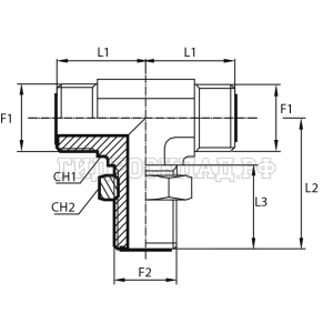
Параметры товара
параметр значение
Резьба 1 13/16"
PN 630
Резьба 2 13/16"
CH1 22
CH2 30
L1 28
L2 55.5
L3 36.5
Корзина
Корзина пуста