Главная страницаКаталог товаровАдаптеры и соединенияORFS J1453Адаптер 90° ORFS(ш) 2" - UNF(ш) 1.7/8" o.r.+ контргайка (Vitillo SPA)

Адаптер 90° ORFS(ш) 2" - UNF(ш) 1.7/8" o.r.+ контргайка (Vitillo SPA)

Код товара: 732
Артикул: LMO32MOU24
Наличие: Нет в наличии

Вы можете связаться с нами по телефону и уточнить возможность заказа данного товара.
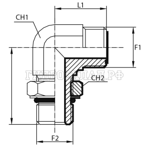
Параметры товара
параметр значение
Резьба 1 2"
PN 280
Резьба 2 1.7/8"
CH1 48
CH2 55
L1 49
L2 66
Корзина
Корзина пуста