Главная страницаКаталог товаровАдаптеры и соединенияORFS J1453Адаптер 90° ORFS(ш) 11/16" - UNF(ш) 3/4" o.r.+ контргайка (Vitillo SPA)

Адаптер 90° ORFS(ш) 11/16" - UNF(ш) 3/4" o.r.+ контргайка (Vitillo SPA)

Код товара: 736
Артикул: LMO09MOU08
Наличие: Нет в наличии

Вы можете связаться с нами по телефону и уточнить возможность заказа данного товара.
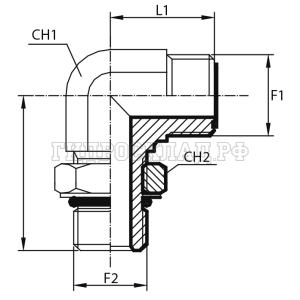
Параметры товара
параметр значение
Резьба 1 11/16"
PN 420
Резьба 2 3/4"
CH1 19
CH2 22
L1 25
L2 40.5
Корзина
Корзина пуста