Главная страницаКаталог товаровАдаптеры и соединенияORFS J1453Адаптер 90° ORFS(ш) 13/16" - UNF(ш) 1.1/16" o.r.+ контргайка (Vitillo SPA)

Адаптер 90° ORFS(ш) 13/16" - UNF(ш) 1.1/16" o.r.+ контргайка (Vitillo SPA)

Код товара: 741
Артикул: LMO11MOU12
Наличие: Нет в наличии

Вы можете связаться с нами по телефону и уточнить возможность заказа данного товара.
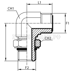
Параметры товара
параметр значение
Резьба 1 13/16"
PN 420
Резьба 2 1.1/16"
CH1 27
CH2 32
L1 31.5
L2 55
Корзина
Корзина пуста