Главная страницаКаталог товаровАдаптеры и соединенияORFS J1453Адаптер 90° ORFS(ш) 1" - UNF(ш) 1.1/16" o.r.+ контргайка (Vitillo SPA)

Адаптер 90° ORFS(ш) 1" - UNF(ш) 1.1/16" o.r.+ контргайка (Vitillo SPA)

Код товара: 743
Артикул: LMO13MOU12
Наличие: Нет в наличии

Вы можете связаться с нами по телефону и уточнить возможность заказа данного товара.
Параметры товара
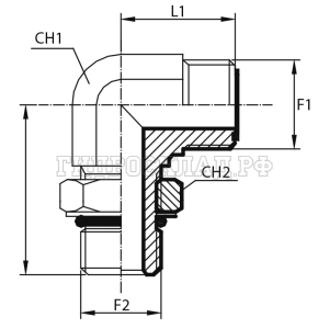
параметр значение
Резьба 1 1"
PN 420
Резьба 2 1.1/16"
CH1 27
CH2 32
L1 33.5
L2 55
Корзина
Корзина пуста