Главная страницаКаталог товаровАдаптеры и соединенияSAE J514Адаптер 90° JIC(ш) 1.5/8" - BSPT(ш) 1" (Vitillo SPA)

Адаптер 90° JIC(ш) 1.5/8" - BSPT(ш) 1" (Vitillo SPA)

Код товара: 2610
Артикул: LMJ20MGK16
Наличие: Нет в наличии

Вы можете связаться с нами по телефону и уточнить возможность заказа данного товара.
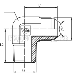
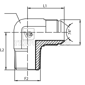
Параметры товара
параметр значение
Резьба 1 1.5/8"
PN 170
Резьба 2 1"
L1 57
L2 51
CH 41
Корзина
Корзина пуста