Главная страницаКаталог товаровАдаптеры и соединенияSAE J514Адаптер 90° JIC(ш) 1.5/8" - NPT(ш) 1" (Vitillo SPA)

Адаптер 90° JIC(ш) 1.5/8" - NPT(ш) 1" (Vitillo SPA)

Код товара: 2631
Артикул: LMJ20MN16
Наличие: Нет в наличии

Вы можете связаться с нами по телефону и уточнить возможность заказа данного товара.
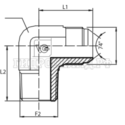
Параметры товара
параметр значение
Резьба 1 1.5/8"
PN 170
Резьба 2 1"
L1 52.5
L2 59
CH 41
Корзина
Корзина пуста