Главная страница→Каталог товаров→Адаптеры и соединения→SAE J514→Адаптер 90° JIC(ш) 3/4" - Pipe=20 (Vitillo SPA)
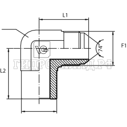
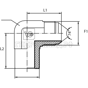
Адаптер 90° JIC(ш) 3/4" - Pipe=20 (Vitillo SPA)
| Код товара: | 2811 |
| Артикул: | LMJ08W |
| Наличие: | Нет в наличии |
|
Вы можете связаться с нами по телефону и уточнить возможность заказа данного товара. |
|