Главная страницаКаталог товаровАдаптеры и соединенияSAE J514Адаптер 90° JIC(ш) 9/16" - NPT(ш) 3/8" (Китай)

Адаптер 90° JIC(ш) 9/16" - NPT(ш) 3/8" (Китай)

Код товара: 47549
Артикул: 1JN9-06
Наличие: Нет в наличии

Вы можете связаться с нами по телефону и уточнить возможность заказа данного товара.
Параметры товара
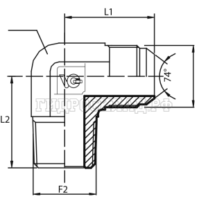
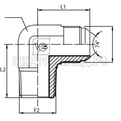
параметр значение
Резьба 1 9/16"
PN 310
Резьба 2 3/8"
L1 32
L2 31
CH 19
Корзина
Корзина пуста