Главная страницаКаталог товаровФитингиФитинг JIC (г) 9/16" DN=10 (90°) kompakt (Vitillo SPA)

Фитинг JIC (г) 9/16" DN=10 (90°) kompakt (Vitillo SPA)

Код товара: 5878
Артикул: F90J0606K
Наличие: Ожидается
Цена (розница):
1 465.00
Оптовая цена: Отправить запрос
Корзина:
Товар в Корзине
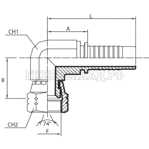
Параметры товара
параметр значение
Номинальный диаметр, мм 10
Диаметр (дюйм) 3/8"
Size 06
Резьба 1 9/16"
L 52
A 22
PN 250
PSI 3600
B 25
CH2 19
fx1 18
CH 19
Аналоги

Для этого товара также есть следующие аналоги:

  • Manuli M22582-06-06F
С этим товаром также покупают:
Корзина
Корзина пуста