Главная страницаКаталог товаровФитингиJICФитинг JIC (г) 7/16" DN=06 (90) kompakt (Китай)

Фитинг JIC (г) 7/16" DN=06 (90) kompakt (Китай)

Код товара: 48896
Артикул: P26791K-04-04
Наличие: В наличии
Цена (розница):
210.00
Оптовая цена: Отправить запрос
Корзина:
Товар в Корзине
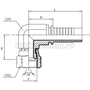
Параметры товара
параметр значение
Номинальный диаметр, мм 06
Диаметр (дюйм) 1/4"
Size 04
Резьба 1 7/16"
L 47
A 19
PN 350
PSI 5000
B 21.5
CH2 15
fx1 20
CH 14
С этим товаром также покупают:
Корзина
Корзина пуста