Главная страницаКаталог товаровФитингиJICФитинг JIC (г) 9/16" DN=10 (90°) kompakt (Китай)

Фитинг JIC (г) 9/16" DN=10 (90°) kompakt (Китай)

Код товара: 48898
Артикул: P26791K-06-06
Наличие: В наличии
Цена (розница):
265.00
Оптовая цена: Отправить запрос
Корзина:
Товар в Корзине
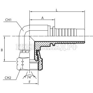
Параметры товара
параметр значение
Номинальный диаметр, мм 10
Диаметр (дюйм) 3/8"
Size 06
Резьба 1 9/16"
L 52
A 22
PN 250
PSI 3600
B 25
CH2 19
fx1 18
CH 19
С этим товаром также покупают:
Корзина
Корзина пуста