Главная страницаКаталог товаровФитингиJICФитинг JIC (г) 3/4" DN=12 (90°) kompakt (Китай)

Фитинг JIC (г) 3/4" DN=12 (90°) kompakt (Китай)

Код товара: 48900
Артикул: P26791K-08-08
Наличие: В наличии
Цена (розница):
340.00
Оптовая цена: Отправить запрос
Корзина:
Товар в Корзине
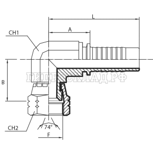
Параметры товара
параметр значение
Номинальный диаметр, мм 12
Диаметр (дюйм) 1/2"
Size 08
Резьба 1 3/4"
L 57
A 24
PN 250
PSI 3600
B 28
CH2 24
fx1 16
CH 22
С этим товаром также покупают:
Корзина
Корзина пуста