Главная страницаКаталог товаровФитингиJICФитинг JIC (г) 7/16" DN=06 (90) kompakt (Vitillo SPA)

Фитинг JIC (г) 7/16" DN=06 (90) kompakt (Vitillo SPA)

Код товара: 5877
Артикул: F90J0404K
Наличие: В наличии
Цена (розница):
1 280.00
Оптовая цена: Отправить запрос
Корзина:
Товар в Корзине
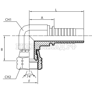
Параметры товара
параметр значение
Номинальный диаметр, мм 06
Диаметр (дюйм) 1/4"
Size 04
Резьба 1 7/16"
L 47
A 19
PN 350
PSI 5000
B 21.5
CH2 15
fx1 20
CH 14
Аналоги

Для этого товара также есть следующие аналоги:

  • Manuli M22582-04-04F
С этим товаром также покупают:
Корзина
Корзина пуста