Главная страницаКаталог товаровФитингиJICФитинг JIC (г) 3/4" DN=12 (90°) kompakt (Vitillo SPA)

Фитинг JIC (г) 3/4" DN=12 (90°) kompakt (Vitillo SPA)

Код товара: 5879
Артикул: F90J0808K
Наличие: Ожидается
Цена (розница):
2 575.00
Оптовая цена: Отправить запрос
Корзина:
Товар в Корзине
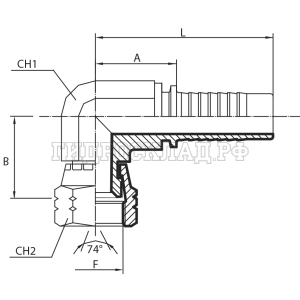
Параметры товара
параметр значение
Номинальный диаметр, мм 12
Диаметр (дюйм) 1/2"
Size 08
Резьба 1 3/4"
L 57
A 24
PN 250
PSI 3600
B 28
CH2 24
fx1 16
CH 22
Аналоги

Для этого товара также есть следующие аналоги:

  • Manuli M22582-08-08F
С этим товаром также покупают:
Корзина
Корзина пуста