Главная страницаКаталог товаровФитингиJICФитинг JIC (г) 1.1/16" DN=20 (90°) kompakt (Vitillo SPA)

Фитинг JIC (г) 1.1/16" DN=20 (90°) kompakt (Vitillo SPA)

Код товара: 5880
Артикул: F90J1212K
Наличие: Ожидается
Цена (розница):
3 150.00
Оптовая цена: Отправить запрос
Корзина:
Товар в Корзине
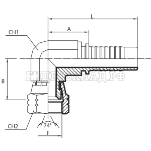
Параметры товара
параметр значение
Номинальный диаметр, мм 20
Диаметр (дюйм) 3/4"
Size 12
Резьба 1 1.1/16"
L 66
A 25
PN 200
PSI 2900
B 36
CH2 32
fx1 12
CH 27
Аналоги

Для этого товара также есть следующие аналоги:

  • Manuli M22582-12-12F
Корзина
Корзина пуста