Главная страницаКаталог товаровКонтроль давления (Mini Press)ФитингиDKMАдаптер ТС 90° P=10 18x1.5 - BSPT 3/8"(ш) (Vitillo SPA)

Адаптер ТС 90° P=10 18x1.5 - BSPT 3/8"(ш) (Vitillo SPA)

Код товара: 4357
Артикул: LME10SMGK06.1
Наличие: Нет в наличии

Вы можете связаться с нами по телефону и уточнить возможность заказа данного товара.
Параметры товара
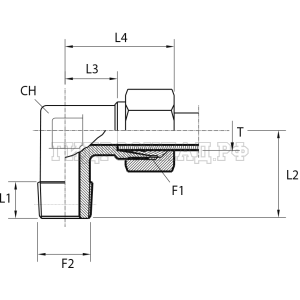
параметр значение
Резьба 1 18x1.5
PN 630
Резьба 2 3/8"
L1 12
L2 28
CH 17
T 10
Series S
L3 17.5
kg100pz 10.3
L4 34
Аналоги

Для этого товара также есть следующие аналоги:

  • LARGA E231-210S R3/8"K
  • Rastelli TN94-10SR 3/8"
  • CAST 102016
Корзина
Корзина пуста