Главная страницаКаталог товаровКонтроль давления (Mini Press)ФитингиDKMАдаптер ТС 90° P=12 20x1.5 - MetricT 18x1.5(ш) (Vitillo SPA)

Адаптер ТС 90° P=12 20x1.5 - MetricT 18x1.5(ш) (Vitillo SPA)

Код товара: 4417
Артикул: LME12SMMK18.1
Наличие: Нет в наличии

Вы можете связаться с нами по телефону и уточнить возможность заказа данного товара.
Параметры товара
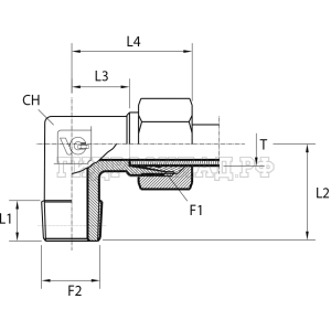
параметр значение
Резьба 1 20x1.5
PN 630
Резьба 2 18x1.5
L1 12
L2 31
CH 17
T 12
Series S
L3 21.5
kg100pz 11
L4 38
Аналоги

Для этого товара также есть следующие аналоги:

  • LARGA E231-412S M18X1.5K
  • Rastelli TN94-12SM 18X1.5
  • CAST 102217
Корзина
Корзина пуста