Главная страницаКаталог товаровКонтроль давления (Mini Press)ФитингиDKMАдаптер ТС 90° P=16 24x1.5 - MetricT 22x1.5(ш) (Vitillo SPA)

Адаптер ТС 90° P=16 24x1.5 - MetricT 22x1.5(ш) (Vitillo SPA)

Код товара: 4419
Артикул: LME16SMMK22.1
Наличие: Нет в наличии

Вы можете связаться с нами по телефону и уточнить возможность заказа данного товара.
Параметры товара
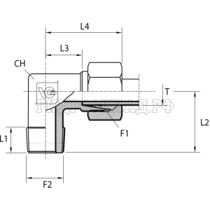
параметр значение
Резьба 1 24x1.5
PN 400
Резьба 2 22x1.5
L1 14
L2 32
CH 24
T 16
Series S
L3 24.5
kg100pz 19.5
L4 43
Аналоги

Для этого товара также есть следующие аналоги:

  • LARGA E231-416S M22X1.5K
  • Rastelli TN94-16SM 22X1.5
  • CAST 102219
Корзина
Корзина пуста