Главная страницаКаталог товаровКонтроль давления (Mini Press)ФитингиDKMАдаптер ТС 90° P=38 52x2 - BSPP 1.1/2"(ш) Form B (Vitillo SPA)

Адаптер ТС 90° P=38 52x2 - BSPP 1.1/2"(ш) Form B (Vitillo SPA)

Код товара: 4427
Артикул: LME38SMG24.1
Наличие: Нет в наличии

Вы можете связаться с нами по телефону и уточнить возможность заказа данного товара.
Параметры товара
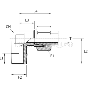
параметр значение
Резьба 1 52x2
D 55
PN 250
Резьба 2 1.1/2"
L1 22
L2 39
CH 50
T 38
Series S
L3 41
kg100pz 98.9
L4 72
Аналоги

Для этого товара также есть следующие аналоги:

  • Rastelli TN95-38SR 1.1/2"
  • CAST 102323
Корзина
Корзина пуста