Главная страницаКаталог товаровКонтроль давления (Mini Press)ФитингиDKMАдаптер ТС тройник P=12 18x1.5 - MetricT 16x1.5(ш) (гориз.) (Vitillo SPA)

Адаптер ТС тройник P=12 18x1.5 - MetricT 16x1.5(ш) (гориз.) (Vitillo SPA)

Код товара: 4660
Артикул: TME12LMMK16P.1
Наличие: Нет в наличии

Вы можете связаться с нами по телефону и уточнить возможность заказа данного товара.
Параметры товара
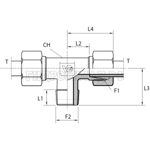
параметр значение
Резьба 1 18x1.5
PN 315
Резьба 2 16x1.5
L1 12
L2 17
CH 17
T 12
Series L
L3 28
kg100pz 13
L4 32
Аналоги

Для этого товара также есть следующие аналоги:

  • LARGA E251-412L M16X1.5K
  • Rastelli TN96-12LM 16X1.5
  • CAST 102707
Корзина
Корзина пуста