Главная страницаКаталог товаровКонтроль давления (Mini Press)ФитингиDKMАдаптер ТС тройник P=15 22x1.5 - MetricT 18x1.5(ш) (гориз.) (Vitillo SPA)

Адаптер ТС тройник P=15 22x1.5 - MetricT 18x1.5(ш) (гориз.) (Vitillo SPA)

Код товара: 4661
Артикул: TME15LMMK18P.1
Наличие: Нет в наличии

Вы можете связаться с нами по телефону и уточнить возможность заказа данного товара.
Параметры товара
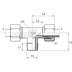
параметр значение
Резьба 1 22x1.5
PN 315
Резьба 2 18x1.5
L1 14
L2 21
CH 19
T 15
Series L
L3 34
kg100pz 22
L4 36
Аналоги

Для этого товара также есть следующие аналоги:

  • LARGA E251-415L M18X1.5K
  • Rastelli TN96-15LM 18X1.5
  • CAST 102708
Корзина
Корзина пуста