Главная страницаКаталог товаровКонтроль давления (Mini Press)ФитингиDKMАдаптер ТС тройник P=10 18x1.5 - MetricT 16x1.5(ш) (гориз.) (Vitillo SPA)

Адаптер ТС тройник P=10 18x1.5 - MetricT 16x1.5(ш) (гориз.) (Vitillo SPA)

Код товара: 4665
Артикул: TME10SMMK16P.1
Наличие: Нет в наличии

Вы можете связаться с нами по телефону и уточнить возможность заказа данного товара.
Параметры товара
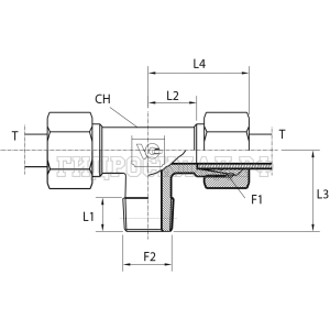
параметр значение
Резьба 1 18x1.5
PN 630
Резьба 2 16x1.5
L1 12
L2 17.5
CH 17
T 10
Series S
L3 28
kg100pz 16
L4 34
Аналоги

Для этого товара также есть следующие аналоги:

  • Rastelli TN96-10SM 16X1.5
  • CAST 102716
Корзина
Корзина пуста