Главная страницаКаталог товаровКонтроль давления (Mini Press)ФитингиDKMАдаптер ТС тройник P=14 22x1.5 - MetricT 20x1.5(ш) (гориз.) (Vitillo SPA)

Адаптер ТС тройник P=14 22x1.5 - MetricT 20x1.5(ш) (гориз.) (Vitillo SPA)

Код товара: 4667
Артикул: TME14SMMK20P.1
Наличие: Нет в наличии

Вы можете связаться с нами по телефону и уточнить возможность заказа данного товара.
Параметры товара
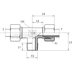
параметр значение
Резьба 1 22x1.5
PN 630
Резьба 2 20x1.5
L1 14
L2 22
CH 19
T 14
Series S
L3 32
kg100pz 25
L4 40
Аналоги

Для этого товара также есть следующие аналоги:

  • Rastelli TN96-14SM 20X1.5
  • CAST 102718
Корзина
Корзина пуста