Главная страницаКаталог товаровКонтроль давления (Mini Press)ФитингиDKMАдаптер ТС тройник P=22 30x2 - BSPP 3/4"(ш) Form B (гориз.) (Vitillo SPA)

Адаптер ТС тройник P=22 30x2 - BSPP 3/4"(ш) Form B (гориз.) (Vitillo SPA)

Код товара: 4689
Артикул: TME22LMG12P.1
Наличие: Нет в наличии

Вы можете связаться с нами по телефону и уточнить возможность заказа данного товара.
Параметры товара
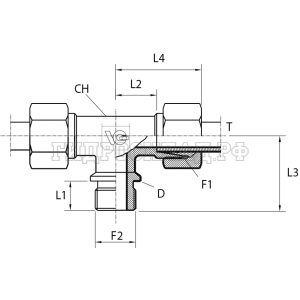
параметр значение
Резьба 1 30x2
PN 160
Резьба 2 3/4"
L1 16
L2 27.5
CH 27
T 22
Series L
L3 26
kg100pz 38.5
L4 44
L5 32
Аналоги

Для этого товара также есть следующие аналоги:

  • Rastelli TN97-22LR 3/4"
  • CAST 102810
Корзина
Корзина пуста