Главная страницаКаталог товаровКонтроль давления (Mini Press)ФитингиDKMАдаптер ТС тройник P=28 36x2 - BSPP 1"(ш) Form B (гориз.) (Vitillo SPA)

Адаптер ТС тройник P=28 36x2 - BSPP 1"(ш) Form B (гориз.) (Vitillo SPA)

Код товара: 4690
Артикул: TME28LMG16P.1
Наличие: Нет в наличии

Вы можете связаться с нами по телефону и уточнить возможность заказа данного товара.
Параметры товара
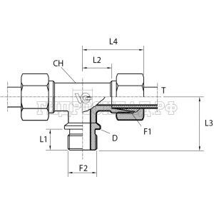
параметр значение
Резьба 1 36x2
PN 160
Резьба 2 1"
L1 18
L2 30.5
CH 36
T 28
Series L
L3 30
kg100pz 64.5
L4 47
L5 39
Аналоги

Для этого товара также есть следующие аналоги:

  • Rastelli TN97-28LR 1"
  • CAST 102811
Корзина
Корзина пуста