Главная страницаКаталог товаровКонтроль давления (Mini Press)ФитингиDKMАдаптер ТС тройник P=35 45x2 - BSPP 1.1/4"(ш) Form B (гориз.) (Vitillo SPA)

Адаптер ТС тройник P=35 45x2 - BSPP 1.1/4"(ш) Form B (гориз.) (Vitillo SPA)

Код товара: 4691
Артикул: TME35LMG20P.1
Наличие: Нет в наличии

Вы можете связаться с нами по телефону и уточнить возможность заказа данного товара.
Параметры товара
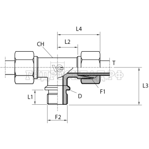
параметр значение
Резьба 1 45x2
PN 160
Резьба 2 1.1/4"
L1 20
L2 34.5
CH 41
T 35
Series L
L3 34
kg100pz 109
L4 56
L5 49
Аналоги

Для этого товара также есть следующие аналоги:

  • Rastelli TN97-35LR 1.1/4"
  • CAST 102812
Корзина
Корзина пуста