Главная страницаКаталог товаровКонтроль давления (Mini Press)ФитингиDKMАдаптер ТС тройник P=42 52x2 - BSPP 1.1/2"(ш) Form B (гориз.) (Vitillo SPA)

Адаптер ТС тройник P=42 52x2 - BSPP 1.1/2"(ш) Form B (гориз.) (Vitillo SPA)

Код товара: 4692
Артикул: TME42LMG24P.1
Наличие: Нет в наличии

Вы можете связаться с нами по телефону и уточнить возможность заказа данного товара.
Параметры товара
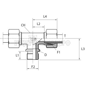
параметр значение
Резьба 1 52x2
PN 160
Резьба 2 1.1/2"
L1 22
L2 40
CH 50
T 42
Series L
L3 39
kg100pz 153.3
L4 63
L5 55
Аналоги

Для этого товара также есть следующие аналоги:

  • Rastelli TN97-42LR 1.1/2"
  • CAST 102813
Корзина
Корзина пуста