Главная страницаКаталог товаровКонтроль давления (Mini Press)ФитингиDKMАдаптер ТС тройник P=25 36x2 - BSPP 1"(ш) Form B (гориз.) (Vitillo SPA)

Адаптер ТС тройник P=25 36x2 - BSPP 1"(ш) Form B (гориз.) (Vitillo SPA)

Код товара: 4694
Артикул: TME25SMG16P.1
Наличие: Нет в наличии

Вы можете связаться с нами по телефону и уточнить возможность заказа данного товара.
Параметры товара
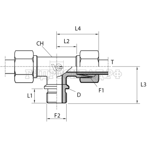
параметр значение
Резьба 1 36x2
PN 400
Резьба 2 1"
L1 18
L2 31
CH 36
T 25
Series L
L3 30
kg100pz 83
L4 54
L5 39
Аналоги

Для этого товара также есть следующие аналоги:

  • Rastelli TN97-25SR 1"
  • CAST 102821
Корзина
Корзина пуста