Главная страницаКаталог товаровКонтроль давления (Mini Press)ФитингиDKMАдаптер ТС тройник P=30 42x2 - BSPP 1.1/4"(ш) Form B (гориз.) (Vitillo SPA)

Адаптер ТС тройник P=30 42x2 - BSPP 1.1/4"(ш) Form B (гориз.) (Vitillo SPA)

Код товара: 4695
Артикул: TME30SMG20P.1
Наличие: Нет в наличии

Вы можете связаться с нами по телефону и уточнить возможность заказа данного товара.
Параметры товара
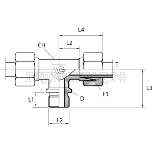
параметр значение
Резьба 1 42x2
PN 250
Резьба 2 1.1/4"
L1 20
L2 35.5
CH 41
T 30
Series S
L3 34
kg100pz 116.9
L4 62
L5 49
Аналоги

Для этого товара также есть следующие аналоги:

  • Rastelli TN97-30SR 1.1/4"
  • CAST 102822
Корзина
Корзина пуста