Главная страницаКаталог товаровКонтроль давления (Mini Press)ФитингиDKMАдаптер ТС тройник P=38 52x2 - BSPP 1.1/2"(ш) Form B (гориз.) (Vitillo SPA)

Адаптер ТС тройник P=38 52x2 - BSPP 1.1/2"(ш) Form B (гориз.) (Vitillo SPA)

Код товара: 4696
Артикул: TME38SMG24P.1
Наличие: Нет в наличии

Вы можете связаться с нами по телефону и уточнить возможность заказа данного товара.
Параметры товара
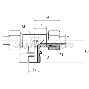
параметр значение
Резьба 1 52x2
PN 250
Резьба 2 1.1/2"
L1 22
L2 41
CH 50
T 38
Series S
L3 39
kg100pz 166.9
L4 72
L5 55
Аналоги

Для этого товара также есть следующие аналоги:

  • Rastelli TN97-38SR 1.1/2"
  • CAST 102823
Корзина
Корзина пуста