Главная страницаКаталог товаровКонтроль давления (Mini Press)ФитингиDKMАдаптер ТС тройник P=20 30x2 - Metric 27x2(ш) Form B (гориз.) (Vitillo SPA)

Адаптер ТС тройник P=20 30x2 - Metric 27x2(ш) Form B (гориз.) (Vitillo SPA)

Код товара: 4701
Артикул: TME20SMM27P.1
Наличие: Нет в наличии

Вы можете связаться с нами по телефону и уточнить возможность заказа данного товара.
Параметры товара
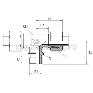
параметр значение
Резьба 1 30x2
PN 32
Резьба 2 27x2
L1 16
L2 26.5
CH 27
T 20
Series L
L3 26
kg100pz 48.8
L4 48
L5 32
Аналоги

Для этого товара также есть следующие аналоги:

  • Rastelli TN97-20SM 27X2
  • CAST 102920
Корзина
Корзина пуста