Главная страницаКаталог товаровКонтроль давления (Mini Press)ФитингиDKMАдаптер ТС тройник P= 6 12x1.5 - DKOL(г) 12x1.5 (верт.) (Vitillo SPA)

Адаптер ТС тройник P= 6 12x1.5 - DKOL(г) 12x1.5 (верт.) (Vitillo SPA)

Код товара: 4869
Артикул: TME06LFE06LB.1
Наличие: В наличии
Цена (розница):
950.00
Оптовая цена: Отправить запрос
Корзина:
Товар в Корзине
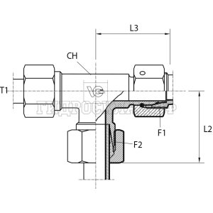
Параметры товара
параметр значение
Резьба 1 12x1.5
PN 315
Резьба 2 12x1.5
L2 26
CH 12
T 6
Series L
L3 27
kg100pz 5.8
Аналоги

Для этого товара также есть следующие аналоги:

  • LARGA E787-06L
  • Rastelli TN421-6L
  • CAST 604604
Корзина
Корзина пуста