Главная страницаКаталог товаровКонтроль давления (Mini Press)ФитингиDKMАдаптер ТС тройник P= 8 14x1.5 - DKOL(г) 14x1.5 (верт.) (Vitillo SPA)

Адаптер ТС тройник P= 8 14x1.5 - DKOL(г) 14x1.5 (верт.) (Vitillo SPA)

Код товара: 4870
Артикул: TME08LFE08LB.1
Наличие: В наличии
Цена (розница):
1 000.00
Оптовая цена: Отправить запрос
Корзина:
Товар в Корзине
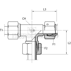
Параметры товара
параметр значение
Резьба 1 14x1.5
PN 315
Резьба 2 14x1.5
L2 27.5
CH 12
T 8
Series L
L3 29
kg100pz 7.9
Аналоги

Для этого товара также есть следующие аналоги:

  • LARGA E787-08L
  • Rastelli TN421-8L
  • CAST 604605
Корзина
Корзина пуста