Главная страницаКаталог товаровКонтроль давления (Mini Press)ФитингиDKMАдаптер ТС тройник P=10 16x1.5 - DKOL(г) 16x1.5 (верт.) (Vitillo SPA)

Адаптер ТС тройник P=10 16x1.5 - DKOL(г) 16x1.5 (верт.) (Vitillo SPA)

Код товара: 4871
Артикул: TME10LFE10LB.1
Наличие: В наличии
Цена (розница):
1 000.00
Оптовая цена: Отправить запрос
Корзина:
Товар в Корзине
Параметры товара
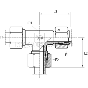
параметр значение
Резьба 1 16x1.5
PN 315
Резьба 2 16x1.5
L2 29
CH 14
T 10
Series L
L3 30
kg100pz 10
Аналоги

Для этого товара также есть следующие аналоги:

  • LARGA E787-10L
  • Rastelli TN421-10L
  • CAST 604606
Корзина
Корзина пуста