Главная страницаКаталог товаровКонтроль давления (Mini Press)ФитингиDKMАдаптер ТС тройник P=15 22x1.5 - DKOL(г) 22x1.5 (верт.) (Vitillo SPA)

Адаптер ТС тройник P=15 22x1.5 - DKOL(г) 22x1.5 (верт.) (Vitillo SPA)

Код товара: 4873
Артикул: TME15LFE15LB.1
Наличие: В наличии
Цена (розница):
1 620.00
Оптовая цена: Отправить запрос
Корзина:
Товар в Корзине
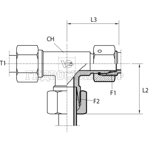
Параметры товара
параметр значение
Резьба 1 22x1.5
PN 315
Резьба 2 22x1.5
L2 32.5
CH 19
T 15
Series L
L3 36
kg100pz 23.3
Аналоги

Для этого товара также есть следующие аналоги:

  • LARGA E787-15L
  • Rastelli TN421-15L
  • CAST 604608
Корзина
Корзина пуста