Главная страницаКаталог товаровКонтроль давления (Mini Press)ФитингиDKMАдаптер ТС тройник P=42 52x2 - DKOL(г) 52x2 (верт.) (Vitillo SPA)

Адаптер ТС тройник P=42 52x2 - DKOL(г) 52x2 (верт.) (Vitillo SPA)

Код товара: 4878
Артикул: TME42LFE42LB.1
Наличие: Нет в наличии

Вы можете связаться с нами по телефону и уточнить возможность заказа данного товара.
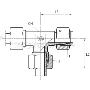
Параметры товара
параметр значение
Резьба 1 52x2
PN 160
Резьба 2 52x2
L2 56
CH 50
T 42
Series L
L3 63
kg100pz 146.5
Аналоги

Для этого товара также есть следующие аналоги:

  • LARGA E787-42L
  • Rastelli TN421-42L
  • CAST 604613
Корзина
Корзина пуста