Главная страницаКаталог товаровКонтроль давления (Mini Press)ФитингиDKMАдаптер ТС тройник P= 6 14x1.5 - DKOS(г) 14x1.5 (верт.) (Vitillo SPA)

Адаптер ТС тройник P= 6 14x1.5 - DKOS(г) 14x1.5 (верт.) (Vitillo SPA)

Код товара: 4879
Артикул: TME06SFE06SB.1
Наличие: В наличии
Цена (розница):
1 240.00
Оптовая цена: Отправить запрос
Корзина:
Товар в Корзине
Параметры товара
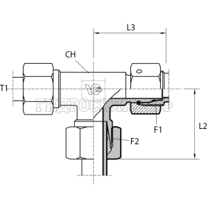
параметр значение
Резьба 1 14x1.5
PN 630
Резьба 2 14x1.5
L2 27
CH 12
T 6
Series S
L3 31
kg100pz 9
Аналоги

Для этого товара также есть следующие аналоги:

  • LARGA E787-06S
  • Rastelli TN421-6S
  • CAST 604614
Корзина
Корзина пуста