Главная страницаКаталог товаровКонтроль давления (Mini Press)ФитингиDKMАдаптер ТС тройник P= 8 16x1.5 - DKOS(г) 16x1.5 (верт.) (Vitillo SPA)

Адаптер ТС тройник P= 8 16x1.5 - DKOS(г) 16x1.5 (верт.) (Vitillo SPA)

Код товара: 4880
Артикул: TME08SFE08SB.1
Наличие: В наличии
Цена (розница):
1 475.00
Оптовая цена: Отправить запрос
Корзина:
Товар в Корзине
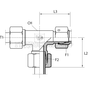
Параметры товара
параметр значение
Резьба 1 16x1.5
PN 630
Резьба 2 16x1.5
L2 27.5
CH 14
T 8
Series S
L3 32
kg100pz 11.8
Аналоги

Для этого товара также есть следующие аналоги:

  • LARGA E787-08S
  • Rastelli TN421-8S
  • CAST 604615
Корзина
Корзина пуста