Главная страницаКаталог товаровКонтроль давления (Mini Press)ФитингиDKMАдаптер ТС тройник P=10 18x1.5 - DKOS(г) 18x1.5 (верт.) (Vitillo SPA)

Адаптер ТС тройник P=10 18x1.5 - DKOS(г) 18x1.5 (верт.) (Vitillo SPA)

Код товара: 4881
Артикул: TME10SFE10SB.1
Наличие: В наличии
Цена (розница):
1 395.00
Оптовая цена: Отправить запрос
Корзина:
Товар в Корзине
Параметры товара
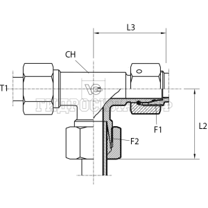
параметр значение
Резьба 1 18x1.5
PN 630
Резьба 2 18x1.5
L2 30
CH 17
T 10
Series S
L3 34
kg100pz 16.5
Аналоги

Для этого товара также есть следующие аналоги:

  • LARGA E787-10S
  • Rastelli TN421-10S
  • CAST 604616
Корзина
Корзина пуста