Главная страницаКаталог товаровКонтроль давления (Mini Press)ФитингиDKMАдаптер ТС тройник P=14 22x1.5 - DKOS(г) 22x1.5 (верт.) (Vitillo SPA)

Адаптер ТС тройник P=14 22x1.5 - DKOS(г) 22x1.5 (верт.) (Vitillo SPA)

Код товара: 4883
Артикул: TME14SFE14SB.1
Наличие: Нет в наличии

Вы можете связаться с нами по телефону и уточнить возможность заказа данного товара.
Параметры товара
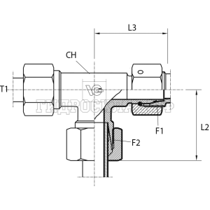
параметр значение
Резьба 1 22x1.5
PN 630
Резьба 2 22x1.5
L2 35
CH 19
T 14
Series S
L3 40
kg100pz 28
Аналоги

Для этого товара также есть следующие аналоги:

  • LARGA E787-14S
  • Rastelli TN421-14S
  • CAST 604618
Корзина
Корзина пуста