Главная страницаКаталог товаровКонтроль давления (Mini Press)ФитингиDKMАдаптер ТС тройник P=16 24x1.5 - DKOS(г) 24x1.5 (верт.) (Vitillo SPA)

Адаптер ТС тройник P=16 24x1.5 - DKOS(г) 24x1.5 (верт.) (Vitillo SPA)

Код товара: 4884
Артикул: TME16SFE16SB.1
Наличие: В наличии
Цена (розница):
2 450.00
Оптовая цена: Отправить запрос
Корзина:
Товар в Корзине
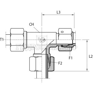
Параметры товара
параметр значение
Резьба 1 24x1.5
PN 400
Резьба 2 24x1.5
L2 36.5
CH 24
T 16
Series S
L3 43
kg100pz 38.2
Аналоги

Для этого товара также есть следующие аналоги:

  • LARGA E787-16S
  • Rastelli TN421-16S
  • CAST 604619
Корзина
Корзина пуста