Главная страницаКаталог товаровКонтроль давления (Mini Press)ФитингиDKMАдаптер ТС тройник P= 6 12x1.5 - Metric 10x1(ш) контргайка+o.r. (верт.) (Vitillo SPA)

Адаптер ТС тройник P= 6 12x1.5 - Metric 10x1(ш) контргайка+o.r. (верт.) (Vitillo SPA)

Код товара: 5052
Артикул: TME06LMOMR10B.1
Наличие: Нет в наличии

Вы можете связаться с нами по телефону и уточнить возможность заказа данного товара.
Параметры товара
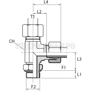
параметр значение
Резьба 1 12x1.5
PN 315
Резьба 2 10x1
L1 7.5
L2 14
CH 14
T 6
Series L
L3 20
kg100pz 9.3
L4 29
Аналоги

Для этого товара также есть следующие аналоги:

  • Rastelli TN516W-6LM 10X1
  • CAST 106804
Корзина
Корзина пуста