Главная страницаКаталог товаровКонтроль давления (Mini Press)ФитингиDKMАдаптер ТС тройник P=10 16x1.5 - Metric 14x1.5(ш) контргайка+o.r. (верт.) (Vitillo SPA)

Адаптер ТС тройник P=10 16x1.5 - Metric 14x1.5(ш) контргайка+o.r. (верт.) (Vitillo SPA)

Код товара: 5054
Артикул: TME10LMOMR14B.1
Наличие: Нет в наличии

Вы можете связаться с нами по телефону и уточнить возможность заказа данного товара.
Параметры товара
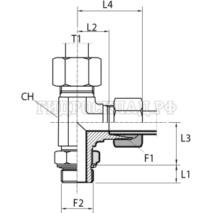
параметр значение
Резьба 1 16x1.5
PN 315
Резьба 2 14x1.5
L1 9.5
L2 17
CH 19
T 10
Series L
L3 25.5
kg100pz 17.5
L4 32
Аналоги

Для этого товара также есть следующие аналоги:

  • Rastelli TN516W-10LM 14X1.5
  • CAST 106806
Корзина
Корзина пуста