Главная страницаКаталог товаровКонтроль давления (Mini Press)ФитингиDKMАдаптер ТС тройник P= 6 14x1.5 - Metric 12x1.5(ш) контргайка+o.r. (верт.) (Vitillo SPA)

Адаптер ТС тройник P= 6 14x1.5 - Metric 12x1.5(ш) контргайка+o.r. (верт.) (Vitillo SPA)

Код товара: 5062
Артикул: TME06SMOMR12B.1
Наличие: Нет в наличии

Вы можете связаться с нами по телефону и уточнить возможность заказа данного товара.
Параметры товара
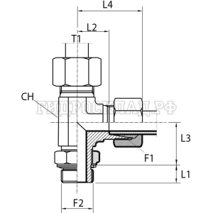
параметр значение
Резьба 1 14x1.5
PN 315
Резьба 2 12x1.5
L1 9.5
L2 15.5
CH 14
T 6
Series S
L3 23.5
kg100pz 10.5
L4 30.5
Аналоги

Для этого товара также есть следующие аналоги:

  • Rastelli TN516W-6SM 12X1.5
  • CAST 106814
Корзина
Корзина пуста